行业动态
来源:超级管理员   发布时间: 2023-04-06 17:37:03   0次浏览   大小:  16px  14px  12px

1 行业难“盐”之隐,三高废水如何处置?

目前,随着化工园区、化工企业废水零排放的要求和降本增效的需求,高效处置化工废水成了企业关注的重中之重。
因为精细化工产品种类多,生产工艺复杂,多属间歇性生产,产生三废量较大,且组分复杂。精细化工生产过程中产生的废水含高有机物、高盐、高氨氮,此类废水具有污染物浓度高、水质波动变化大、含氮高、难生物降解等特点,且含有多种对微生物有抑制作用的有害物质。
本文针对精细化工行业废水的上述处置痛难点,详细阐述传统高温蒸发单一工艺的局限性及何为最有效的处置方式,并配以典型案例。

2 传统高温蒸发单一工艺的局限性

目前,精细化工废水在预处理过程中,加药较多,且初期盐含量很高,导致预处理后的废水成为高盐、高COD废水,这些废水成为水处理行业公认的高难度处理废水。针对这类废水,大多企业采用MVR/三效蒸发工艺对精细化工废水进行处置。
2.1MVR工艺
MVR是一种节能蒸发技术,它利用蒸发过程中自产的二次蒸汽作为热源,降低外来能源需求。运行时,MVR系统通过蒸汽压缩机对二次蒸汽进行压缩做功,将电能转换成热能,提高了蒸汽的温度和压力,将乏汽转变为高品位的蒸汽,作为蒸发器的热源,实现了蒸汽潜热的有效利用,极大地降低了废水蒸发的能耗,实现系统的低能耗运行。

图片

△图1 MVR蒸发系统原理图

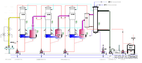
2.2三效蒸发工艺

三效蒸发系统采用混流蒸发,是在第一效蒸发的过程中需要外界输入蒸汽,利用蒸发过程中产生的二次蒸汽为后端效加热,三次利用蒸汽从而达到节约蒸汽的目的。

图片

△图2 三效蒸发原理图

根据相关资料,MVR和三效蒸发工艺优缺点如下所示:

能耗不同

MVR蒸发器主要以电能驱动,辅以少量的蒸汽,吨水处理成本约在60~70元。

多效(以三效蒸发为例)蒸发器主要以蒸汽能驱动,系统内会有一定量的动力机械消耗电能,吨水处理成本约在120元左右。

适用废水不同

两种类型的蒸发器主要是针对不同类型的废水选用的。

针对高盐、有机物较少、沸点升较小的废水,选用MVR蒸发结晶系统进行蒸发处理。

针对高盐、高COD等物质种类复杂的水分,一般选用多效蒸发结晶系统进行蒸发处理。

两种类型蒸发器都有对应的适用范围,需根据水质情况合理选用。

采用蒸发结晶处理工艺能够将废水中大量的盐分结晶出来作为固废处置,蒸发产生的冷凝水如果水质较好可以直接回用,不能回用的可以进入生化系统内进行简单的处理后即可达标排放。

单一蒸发结晶工艺的弊端

在实际的蒸发设备运行过程中会发现蒸发结晶系统能很好的处理掉系统内的盐,但是系统母液中的有机物一直在富集,富集有机物母液回流至蒸发系统内继续蒸发会影响系统蒸发量,并且还会造成系统结焦、结垢、维护周期变短、维护成本变高等问题。


3 如何反内卷,高效处置精细化工废水?

为了彻底解决这个问题,威胜达通过企业现有的低温结晶工艺与MVR/三效蒸发组合工艺,对精细化工废水进行蒸发脱盐,发挥各工艺的优点,使蒸发装置能长周期运转,且综合能耗较低。实践表明,该组合工艺是一种理想的高盐、高COD精细化工废水物化预处理技术。


组合式蒸发工艺

高效解决高盐、高COD废水蒸发结晶难题

低温结晶工艺优势

通过低温结晶系统对母液减量80%以上,大大减少企业精细化工废水处置成本,打通了整条工艺链。

低温蒸发的工况可大大提升蒸发的出水效果,产水的COD去除率高达95%以上,后端冷凝水进入生化系统内处理。

低温蒸发结晶系统具备自身的特殊结构,处理高COD、高盐废水时不易出现堵料、结焦及结垢现象

设备本身是一体化、智能化、工艺原理简单化设计,不需要专门设置操作及巡检人员,大大减少了人力成本支出。


低温结晶工艺原理

在低温蒸发结晶系统中抽真空系统的作用下真空蒸发罐内真空度上升,废水借助蒸发器内的真空,经原水进阀吸入设备。废水在蒸发罐内到中液位,停止进液,真空度到达设定值后,利用外接蒸汽加热。其中的低沸点成分被蒸发。废水的高沸点成分以浓缩物的形式留在蒸发罐内。浓缩物通过设备自动排出。蒸汽沿管道进入冷却器,与外接冷凝系统交换成液态,蒸馏水沿出水管排出。

图片

△图3 低温蒸发结晶系统原理图


免责声明:文章内容转载,如有侵权,联系删除。

上一篇:如何进行土壤污染状况?什么情况下需要进行调查?  下一篇:环境应急预案五大重点!未编制环境应急预案罚款20万?